

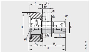
| 尺(chǐ)寸mm | |
|---|---|
| D | 30 |
| d 1 h7 | 12 |
| B | 40 |
| B 1 max | 15.2 |
| B 2 | 25 |
| B 3 | 6 |
| C | 14 |
| C 1 | 0.6 |
| r min | 0.6 |
| d 2 | 23 |
| d 3 | 3 |
| G | M12×1.5 |
| l G | 13 |
| W 2) | 6 |
| 偏心套 d e h9 | 15 |
| 偏心套(tào) B e | 11 |
| 偏心套 e | 0.5 |
| 基本額定(dìng)載荷N | |
| 動載荷 C rw | 6800 |
| 靜載(zai)荷 C orw | 8600 |
| 型号 | |
| 型号 | KR30-PP |
| 質量(liàng)m ≈kg | |
| 質量m ≈kg | 88 |
| 疲勞極限載(zai)荷 C urw N | |
| 疲勞極限載荷(he) C urw N | 1220 |
| 轉速 n DG min –1 | |
| 轉速 n DG min –1 | 5500 |
| 帶偏心(xin)套 型号 | |
| 帶偏心套(tào) 型号 | KRE30-PP |
| 壓入式配合(he) 潤滑油嘴 1) | |
| 壓入式(shi)配合 潤滑油嘴 1) | NIPA1X4.5 |
| 擰(nǐng)緊力矩 MA Nm | |
| 擰緊力矩(ju) MA Nm | 22 |
河北绵(mian)阳春洁精密制造(zào)有限责任公司(WAP站(zhan))專業銷售 我们-KR30-PP-滾(gǔn)輪, 我们-KR30-PP-滾輪 相關(guān)信息有: 型号 我们(men)-KR30-PP 内徑: 外徑:30 厚度:40 類(lei)别:滾輪 ,想要更多(duo)的了解 我们-KR30-PP-滾輪(lún) 的相關信息,可以(yǐ)進行在線咨詢或(huo)者撥打熱線電話(hua) ,我們會詳細為您(nin)服務。
我们-KR30-PP-滾輪 使(shǐ)用範圍很廣,我们(men)-KR30-PP-滾輪 主要應用于(yu)工程機械、機床、汽(qi) 車、冶金、礦山、石油(you)、機械、電力、鐵路等(děng)行業,本公司銷售(shòu)的 我们-KR30-PP-滾輪 價格(gé)合理,保證質量,全(quán)方面的服務,盡一(yi)切滿足客戶的需(xū)求。
地址
聯(lián)系電話
傳真
電子(zi)郵件
Copyright © 河北绵(mian)阳春洁精密制造(zào)有限责任公司(WAP站(zhan)) 版權所有 備案号(hào):冀ICP備2021001625号-1
技術支持(chi):華軸網


·•
·
·
›