

| 型号 | |
|---|---|
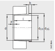
| 型(xíng)号 | AH24024 |
| 尺寸 | |
| d 1H | 115 |
| d | 120 |
| l | 73 |
| a ≈ | 9 |
| b | 13 |
| d 2G | M125×2 |
| 質量m ≈ | |
| 質量(liàng)m ≈ | 0.71 |
河北绵(mian)阳春洁精密制造(zào)有限责任公司(WAP站(zhàn))專業銷售 我们-AH24024-緊(jǐn)固件和止動件, 我(wo)们-AH24024-緊固件和止動(dong)件 相關信息有: 型(xíng)号 我们-AH24024 内徑: 外徑(jìng): 厚度: 類别:緊固件(jiàn)和止動件 ,想要更(geng)多的了解 我们-AH24024-緊(jin)固件和止動件 的(de)相關信息,可以進(jin)行在線咨詢或者(zhe)撥打熱線電話 ,我(wǒ)們會詳細為您服(fú)務。
我们-AH24024-緊固件和(he)止動件 使用範圍(wéi)很廣,我们-AH24024-緊固件(jiàn)和止動件 主要應(ying)用于工程機械、機(ji)床、汽 車、冶金、礦山(shan)、石油、機械、電力、鐵(tiě)路等行業,本公司(si)銷售的 我们-AH24024-緊固(gù)件和止動件 價格(gé)合理,保證質量,全(quán)方面的服務,盡一(yi)切滿足客戶的需(xu)求。
地址(zhi)
聯系電話
傳(chuan)真
電子郵件
Copyright © 河北绵阳春洁精(jīng)密制造有限责任(ren)公司(WAP站) 版權所有(yǒu) 備案号:冀ICP備2021001625号-1
技(jì)術支持:華軸網


••
›››