

| 尺寸(cun)(mm) | |
|---|---|
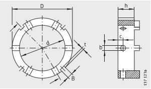
| D | 85 |
| h | 20 |
| d | 65 |
| b H 11 | 6 |
| c | 6 |
| B | 7 |
| t | 3 |
| 型号 | |
| 型号 | AMS60 |
| 質量 m ≈kg | |
| 質(zhi)量 m ≈kg | 0.37 |
| 用于精密鎖緊(jǐn)螺母 | |
| 用于精密鎖(suo)緊螺母 | AM55、AM60 |
河北绵阳春洁精(jīng)密制造有限责任(rèn)公司(WAP站)專業銷售(shòu) 我们-AMS60-絲杠支撐軸(zhou)承, 我们-AMS60-絲杠支撐(chēng)軸承 相關信息有(you): 型号 我们-AMS60 内徑:65 外(wai)徑:85 厚度:7 類别:絲杠(gàng)支撐軸承 ,想要更(geng)多的了解 我们-AMS60-絲(si)杠支撐軸承 的相(xiang)關信息,可以進行(háng)在線咨詢或者撥(bo)打熱線電話 ,我們(men)會詳細為您服務(wu)。
我们-AMS60-絲杠支撐軸(zhóu)承 使用範圍很廣(guang),我们-AMS60-絲杠支撐軸(zhou)承 主要應用于工(gong)程機械、機床、汽 車(che)、冶金、礦山、石油、機(ji)械、電力、鐵路等行(háng)業,本公司銷售的(de) 我们-AMS60-絲杠支撐軸(zhóu)承 價格合理,保證(zheng)質量,全方面的服(fú)務,盡一切滿足客(ke)戶的需求。
地(dì)址
聯系電話(hua)
傳真
電子郵件
Copyright © 河北绵阳春洁(jié)精密制造有限责(ze)任公司(WAP站) 版權所(suo)有 備案号:冀ICP備2021001625号(hao)-1
技術支持:華軸網(wang)


••
›››