我们-22215-E1-K-軸承座-河北绵阳春洁精密制造有限责任公司(WAP站)

全國服務熱線

0319-8561987

我们-22215-E1-K-軸承座

  • 新型(xing)号:我们-22215-E1-K
  • 舊型号:
  • 内徑:
  • 外(wài)徑:
  • 厚度:
  • 系列:d1 65-100mm
立即(ji)咨詢

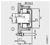
産品圖紙

産(chan)品參數

型号
軸承12215-K-TVH-C3
軸承222215-E1-K
緊定(ding)套H315
止動環FRM130/10 ( 1 )
毛氈條(tiao)a×b×l/件8X6.5X245 / 1
尺寸
d 165
g 2-
h 1190
25
D130
g 1
g 36
g 430
h95
m215
s(mm)M16
s(inch)5/8
質量 m 軸承(chéng)座 ≈kg
質量 m 軸承座 ≈kg9.5

産(chǎn)品介紹

  • 聯系電話(hua)

    13463924333

  • 傳真

    0319-8561987

总 公 司急 速 版WAP 站(zhan)H5 版无线端AI 智能3G 站(zhan)4G 站5G 站6G 站
·
·
·