

| 尺寸(mm) | |
|---|---|
| d | 65 |
| D | 125 |
| H | - |
| H 1 | - |
| H 2 | 103 |
| H 3 | 74.5 |
| C | 25 |
| D 1 | 110 |
| D 2 | 90 |
| D 3 | 108 |
| B | 17.5 |
| B 1 | 38.5 |
| B 2 | 16 |
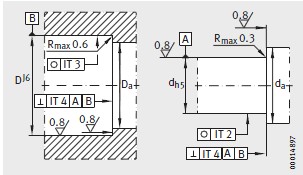
| r min | 0.3 |
| r 1 min | 0.6 |
| 型号(hao) | |
| 型号 | ZARN65125-L-TV |
| 質量(liang) m ≈kg | |
| 質量 m ≈kg | 4.6 |
| 安裝(zhuang)尺寸 1) | |
| D a max | 111 |
| d a min | 88 |
| 基本(běn)額定載荷(hé) | |
| 軸向動載(zǎi)荷 C a N | 172000 |
| 軸向靜(jìng)載荷 C oa N | 500000 |
| 徑向(xiang)動載荷 C r N | 54000 |
| 徑(jing)向靜載荷(he)C or N | 104000 |
| 極限轉速(sù) | |
| n G 油 min -1 | 2600 |
| n G 脂 min -1 | 900 |
| 軸承(chéng)摩擦 力矩(jǔ) M RL N m | |
| 軸承摩擦(cā) 力矩 M RL N m | 4 |
| 剛度(du) 軸向 c aL N/μm | |
| 剛度(du) 軸向 c aL N/μm | 4800 |
| 軸向(xiang) 跳動 6) μm | |
| 軸向(xiang) 跳動 6) μm | 1 |
河北(běi)绵阳春洁(jié)精密制造(zao)有限责任(rèn)公司(WAP站)專(zhuan)業銷售 我(wǒ)们-ZARN65125-L-TV-絲杠支(zhī)撐軸承, 我(wo)们-ZARN65125-L-TV-絲杠支(zhī)撐軸承 相(xiàng)關信息有(you): 型号 我们(men)-ZARN65125-L-TV 内徑:65 外徑(jìng):125 厚度:17.5 類别(bie):絲杠支撐(chēng)軸承 ,想要(yào)更多的了(le)解 我们-ZARN65125-L-TV-絲(sī)杠支撐軸(zhóu)承 的相關(guān)信息,可以(yi)進行在線(xian)咨詢或者(zhe)撥打熱線(xian)電話 ,我們(men)會詳細為(wei)您服務。
我(wo)们-ZARN65125-L-TV-絲杠支(zhī)撐軸承 使(shǐ)用範圍很(hěn)廣,我们-ZARN65125-L-TV-絲(sī)杠支撐軸(zhóu)承 主要應(ying)用于工程(chéng)機械、機床(chuáng)、汽 車、冶金(jīn)、礦山、石油(yóu)、機械、電力(lì)、鐵路等行(háng)業,本公司(sī)銷售的 我(wǒ)们-ZARN65125-L-TV-絲杠支(zhī)撐軸承 價(jia)格合理,保(bao)證質量,全(quan)方面的服(fú)務,盡一切(qiē)滿足客戶(hù)的需求。
地址
聯系(xì)電話
傳真(zhēn)
電子郵件(jian)
Copyright © 河北(běi)绵阳春洁(jie)精密制造(zao)有限责任(rèn)公司(WAP站) 版(ban)權所有 備(bei)案号:冀ICP備(bèi)2021001625号-1
技術支(zhi)持:華軸網(wang)


•
·
·
›