

| 尺寸(mm) | |
|---|---|
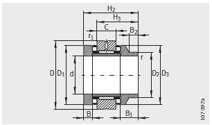
| d | 40 |
| D | 90 |
| H | – |
| H 1 | – |
| H 2 | 93 |
| H 3 | 68 |
| C | 25 |
| D 1 | 78 |
| D 2 | 60 |
| D 3 | 78 |
| B | 16 |
| B 1 | 34 |
| B 2 | 12 |
| r min | 0.3 |
| r 1 min | 0.6 |
| 型号 | |
| 型(xíng)号 | ZARN4090-L-TV |
| 質量 m ≈kg | |
| 質量(liàng) m ≈kg | 2.39 |
| 安裝尺寸 1) | |
| D a max | 79 |
| d a min | 58 |
| 基(jī)本額定載荷(he) | |
| 軸向動載荷(he) C a N | 117000 |
| 軸向靜載荷(he) C oa N | 315000 |
| 徑向動載荷(hé) C r N | 38000 |
| 徑向靜載荷(he)C or N | 74000 |
| 極限轉速 | |
| n G 油(yóu) min -1 | 3700 |
| n G 脂 min -1 | 1200 |
| 軸承摩擦(ca) 力矩 M RL N m | |
| 軸承摩(mó)擦 力矩 M RL N m | 2.5 |
| 剛度(du) 軸向 c aL N/μm | |
| 剛度 軸(zhóu)向 c aL N/μm | 3800 |
| 軸向 跳動(dong) 6) μm | |
| 軸向 跳動 6) μm | 1 |
河北(bei)绵阳春洁精(jing)密制造有限(xian)责任公司(WAP站(zhan))專業銷售 我(wǒ)们-ZARN4090-L-TV-絲杠支撐(chēng)軸承, 我们-ZARN4090-L-TV-絲(si)杠支撐軸承(cheng) 相關信息有(yǒu): 型号 我们-ZARN4090-L-TV 内(nei)徑:40 外徑:90 厚度(dù):16 類别:絲杠支(zhi)撐軸承 ,想要(yào)更多的了解(jiě) 我们-ZARN4090-L-TV-絲杠支(zhi)撐軸承 的相(xiang)關信息,可以(yǐ)進行在線咨(zi)詢或者撥打(dǎ)熱線電話 ,我(wǒ)們會詳細為(wei)您服務。
我们(men)-ZARN4090-L-TV-絲杠支撐軸(zhou)承 使用範圍(wéi)很廣,我们-ZARN4090-L-TV-絲(si)杠支撐軸承(chéng) 主要應用于(yú)工程機械、機(jī)床、汽 車、冶金(jīn)、礦山、石油、機(jī)械、電力、鐵路(lu)等行業,本公(gōng)司銷售的 我(wo)们-ZARN4090-L-TV-絲杠支撐(cheng)軸承 價格合(he)理,保證質量(liàng),全方面的服(fu)務,盡一切滿(man)足客戶的需(xu)求。
地址(zhi)
聯系(xì)電話
傳真
電(diàn)子郵件
Copyright © 河北(bei)绵阳春洁精(jing)密制造有限(xiàn)责任公司(WAP站(zhàn)) 版權所有 備(bèi)案号:冀ICP備2021001625号(hào)-1
技術支持:華(hua)軸網


·•
·
·
›
