

| 尺寸mm | |
|---|---|
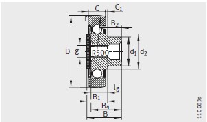
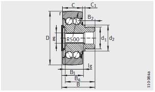
| D | 40 |
| d 1 | 16 |
| B | 53.2 |
| B 1 max | 17 |
| B 2 | 36.5 |
| B 4 | - |
| C | 15.9 |
| C 1 | 0.8 |
| d 2 | 20 |
| r min | 0.6 |
| G | M16×1.5 |
| l G | 19 |
| g | - |
| l g | - |
| W | 8 |
| 基本額定(ding)載荷N | |
| 動載荷 C rw | 10000 |
| 靜載(zǎi)荷 C orw | 6300 |
| 型号 | |
| 型号 | KR5202-2RS |
| 質量(liang)m ≈kg | |
| 質量m ≈kg | 190 |
| 疲勞極限載(zǎi)荷 C urw N | |
| 疲勞極限載荷(he) C urw N | 320 |
| 轉速 n DG min –1 | |
| 轉速 n DG min –1 | 7000 |
| 鎖緊力(li)矩 MA Nm | |
| 鎖緊力矩 MA Nm | 70 |
河北绵阳春(chun)洁精密制造有限(xiàn)责任公司(WAP站)專業(ye)銷售 我们-KR5202-2RS-滾輪, 我(wǒ)们-KR5202-2RS-滾輪 相關信息(xi)有: 型号 我们-KR5202-2RS 内徑(jing): 外徑:40 厚度:53.2 類别:滾(gǔn)輪 ,想要更多的了(le)解 我们-KR5202-2RS-滾輪 的相(xiang)關信息,可以進行(hang)在線咨詢或者撥(bo)打熱線電話 ,我們(men)會詳細為您服務(wu)。
我们-KR5202-2RS-滾輪 使用範(fàn)圍很廣,我们-KR5202-2RS-滾輪(lún) 主要應用于工程(chéng)機械、機床、汽 車、冶(ye)金、礦山、石油、機械(xie)、電力、鐵路等行業(yè),本公司銷售的 我(wǒ)们-KR5202-2RS-滾輪 價格合理(lǐ),保證質量,全方面(mian)的服務,盡一切滿(man)足客戶的需求。
地址
聯系電(dian)話
傳真
電子郵件(jian)
Copyright © 河北绵阳春(chun)洁精密制造有限(xiàn)责任公司(WAP站) 版權(quán)所有 備案号:冀ICP備(bei)2021001625号-1
技術支持:華軸(zhóu)網


·
·
•·