我们-XL-機加工滾針軸承-河北绵阳春洁精密制造有限责任公司(WAP站)

全國服務熱線

0319-8561987

我们-XL-機加工滾針(zhēn)軸承

  • 新型号:我们(men)-XL
  • 舊型号:
  • 内徑(jing):35
  • 外徑:47
  • 厚度:30
  • 系列:D 14-47mm
立(li)即咨詢

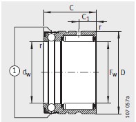
産品圖紙(zhi)

産品參數

尺寸mm
F w7
D14
C -0.2518
C 14.7
d w E87
r min0.3
基本額(é)定載荷N
徑向 靜載荷/C or2650
軸(zhou)向 動載荷/C r3150
4300
型号
用于油(yóu)潤滑NX7-TV
質量m ≈kg14
極限轉(zhuan)速 n G min –1
極限轉速 n G min –115000
疲勞(láo)極限載荷N
C ur410
C ua190
安裝尺(chǐ)寸mm
C 210
D 1
r a max0.3
推薦的内圈 型(xíng)号
推薦的内圈 型(xing)号-
合适的卡環
合(he)适的卡環WR14、SW14
总 公 司急(ji) 速 版WAP 站H5 版无线端(duān)AI 智能3G 站4G 站5G 站6G 站
·
··
·