

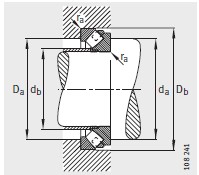
| 尺(chǐ)寸mm | |
|---|---|
| d | 170 |
| D | 340 |
| T | 103 |
| D 1 | 236 |
| d 1 | 305 |
| r min | 5 |
| T 1 | 50 |
| T 2 | - |
| T 3 | 65.5 |
| T 4 | - |
| T 5 | 89.5 |
| A | 104 |
| 安裝尺寸mm | |
| d a min | 250 |
| D a max | 288 |
| D b min | 346 |
| d b max | 186 |
| d b1 max | 199 |
| r a max | 4 |
| 基本(běn)額定載荷N | |
| 動載荷(hé) C a | 2550000 |
| 靜載荷 C oa | 6900000 |
| 型号 | |
| 型号(hao) | 29434-E1 |
| X-life | |
| X-life | XL |
| 質量m ≈kg | |
| 質量m ≈kg | 39.6 |
| 疲勞極(jí)限載荷 C ua N | |
| 疲勞極限(xian)載荷 C ua N | 700000 |
| 極限轉速 n G min –1 | |
| 極(jí)限轉速 n G min –1 | 2000 |
| 參考轉速(sù) n B min –1 | |
| 參考轉速 n B min –1 | 1030 |
河北绵阳春洁(jié)精密制造有限责(ze)任公司(WAP站)專業銷(xiao)售 我们-29434-E1-推力調心(xin)滾子軸承, 我们-29434-E1-推(tui)力調心滾子軸承(cheng) 相關信息有: 型号(hào) 我们-29434-E1 内徑:170 外徑:340 厚(hou)度:103 類别:推力調心(xin)滾子軸承 ,想要更(gèng)多的了解 我们-29434-E1-推(tui)力調心滾子軸承(cheng) 的相關信息,可以(yi)進行在線咨詢或(huò)者撥打熱線電話(hua) ,我們會詳細為您(nín)服務。
我们-29434-E1-推力調(diao)心滾子軸承 使用(yòng)範圍很廣,我们-29434-E1-推(tui)力調心滾子軸承(chéng) 主要應用于工程(cheng)機械、機床、汽 車、冶(ye)金、礦山、石油、機械(xie)、電力、鐵路等行業(yè),本公司銷售的 我(wǒ)们-29434-E1-推力調心滾子(zi)軸承 價格合理,保(bǎo)證質量,全方面的(de)服務,盡一切滿足(zu)客戶的需求。
地址
聯系電話
傳真(zhen)
電子郵件
Copyright © 河(he)北绵阳春洁精密(mi)制造有限责任公(gōng)司(WAP站) 版權所有 備(bèi)案号:冀ICP備2021001625号-1
技術(shu)支持:華軸網


·•