

| 型号 | |
|---|---|
| 軸(zhóu)承 | 53208 |
| 墊圈 | U208 |
| 質量m | |
| 軸(zhou)承 ≈kg | 0.259 |
| 墊圈 ≈kg | 0.071 |
| 尺寸mm | |
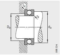
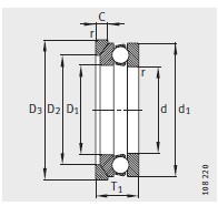
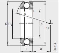
| d | 40 |
| D | 68 |
| T | 20.3 |
| D 1 | 42 |
| d 1 | 68 |
| r min | 1 |
| R | 56 |
| A | 28.5 |
| D 2 | 55 |
| D 3 | 72 |
| C | 7 |
| T 1 | 23 |
| 安(an)裝尺寸mm | |
| d a min | 57 |
| D a max | 55 |
| r a max | 1 |
| 基本額(é)定載荷N | |
| 動載荷(he) C a | 46500 |
| 靜載荷 C oa | 98000 |
| 疲勞極(jí)限載荷 C ua N | |
| 疲勞極(ji)限載荷 C ua N | 4300 |
| 最小載(zǎi)荷系數 A | |
| 最小載(zai)荷系數 A | 0.05 |
| 極限轉(zhuan)速 n G min –1 | |
| 極限轉速 n G min –1 | 4800 |
河北绵(mian)阳春洁精密制(zhi)造有限责任公(gōng)司(WAP站)專業銷售(shòu) 我们-U208-推力球軸(zhóu)承, 我们-U208-推力球(qiú)軸承 相關信息(xi)有: 型号 我们-U208 内(nei)徑:40 外徑:68 厚度:20.3 類(lei)别:推力球軸承(chéng) ,想要更多的了(le)解 我们-U208-推力球(qiu)軸承 的相關信(xìn)息,可以進行在(zai)線咨詢或者撥(bō)打熱線電話 ,我(wǒ)們會詳細為您(nín)服務。
我们-U208-推力(li)球軸承 使用範(fan)圍很廣,我们-U208-推(tui)力球軸承 主要(yao)應用于工程機(ji)械、機床、汽 車、冶(yě)金、礦山、石油、機(jī)械、電力、鐵路等(deng)行業,本公司銷(xiao)售的 我们-U208-推力(li)球軸承 價格合(he)理,保證質量,全(quán)方面的服務,盡(jìn)一切滿足客戶(hù)的需求。
地址
聯系(xì)電話
傳真
電子(zi)郵件
Copyright © 河北绵阳(yáng)春洁精密制造(zao)有限责任公司(sī)(WAP站) 版權所有 備(bei)案号:冀ICP備2021001625号-1
技(jì)術支持:華軸網(wǎng)


·
•·•
·