

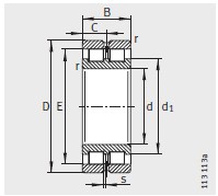
| 尺寸mm | |
|---|---|
| d | 360 |
| D | 440 |
| B | 80 |
| r min | 2.1 |
| s | - |
| 安裝尺(chǐ)寸mm | |
| c | 40 |
| d 1 ≈ | 391 |
| D 1 ≈ | 413.2 |
| E | - |
| 基本額定載荷(he)N | |
| 動載荷 C r | 900000 |
| 靜載荷 C or | 2480000 |
| 半(ban)定位軸承 型号 | |
| 半(ban)定位軸承 型号 | - |
| 定(dìng)位軸承 型号 | |
| 定位(wei)軸承 型号 | SL014872 |
| 浮動軸(zhou)承 型号 | |
| 浮動軸承(cheng) 型号 | - |
| 型号按照 DIN5412 | |
| 型(xing)号按照 DIN5412 | NNC4872V |
| 質量 m ≈kg | |
| 質量(liàng) m ≈kg | 27 |
| 疲勞極限載荷 C ur / N | |
| 疲(pi)勞極限載荷 C ur / N | 244000 |
| 極限(xiàn)轉速 n G /min –1 | |
| 極限轉速 n G /min –1 | 810 |
| 參(can)考轉速 n B /min –1 | |
| 參考轉速(su) n B /min –1 | 430 |
河北绵(mian)阳春洁精密制造(zào)有限责任公司(WAP站(zhàn))專業銷售 我们-SL014872-圓(yuan)柱滾子軸承, 我们(men)-SL014872-圓柱滾子軸承 相(xiàng)關信息有: 型号 我(wǒ)们-SL014872 内徑:360 外徑:440 厚度(dù):80 類别:圓柱滾子軸(zhóu)承 ,想要更多的了(le)解 我们-SL014872-圓柱滾子(zi)軸承 的相關信息(xi),可以進行在線咨(zi)詢或者撥打熱線(xian)電話 ,我們會詳細(xi)為您服務。
我们-SL014872-圓(yuan)柱滾子軸承 使用(yòng)範圍很廣,我们-SL014872-圓(yuan)柱滾子軸承 主要(yao)應用于工程機械(xie)、機床、汽 車、冶金、礦(kuang)山、石油、機械、電力(lì)、鐵路等行業,本公(gong)司銷售的 我们-SL014872-圓(yuán)柱滾子軸承 價格(gé)合理,保證質量,全(quan)方面的服務,盡一(yī)切滿足客戶的需(xu)求。
地址
聯系電話
傳真
電(dian)子郵件
Copyright © 河北(běi)绵阳春洁精密制(zhi)造有限责任公司(si)(WAP站) 版權所有 備案(an)号:冀ICP備2021001625号-1
技術支(zhi)持:華軸網


·
•·•