我们-33117-圓錐滾子軸承-河北绵阳春洁精密制造有限责任公司(WAP站)

全國服務熱線

0319-8561987

我们-33117-圓錐滾子軸(zhou)承

  • 新型号:我们-33117
  • 舊(jiù)型号:
  • 内徑:85
  • 外徑(jìng):140
  • 厚度:41
  • 系列:d 85-95mm
立即咨(zī)詢

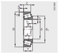
産品圖紙

産品(pin)參數

型号
尺(chǐ)寸mm
d85
D140
B41
C32
T41
r1, r2 min2.5
a ≈33
d 1 ≈114.2
安裝尺寸mm
d a max95
d b min95
D a max130
D b min135
C a min7
C b min9
r a max2.5
r b max2
基本(běn)額定載荷N
動載荷(he) C r221000
計算系數(shu)
e0.41
Y1.48
Y 0
質量/ m ≈kg
質量/ m ≈kg
疲勞極限(xiàn)載荷 C ur / N43000
極限轉速 n G min –1
極(jí)限轉速 n G min –14750
可互換型(xíng)号按照 ISO355
可互換型(xíng)号按照 ISO355T3DE085
參考轉速(su) n B min –1
X-life
X-life-

産品介(jiè)紹

河北绵阳春洁(jié)精密制造有限责(ze)任公司(WAP站)專業銷(xiāo)售 我们-33117-圓錐滾子(zǐ)軸承, 我们-33117-圓錐滾(gun)子軸承 相關信息(xī)有: 型号 我们-33117 内徑(jing):85 外徑:140 厚度:41 類别:圓(yuan)錐滾子軸承 ,想要(yao)更多的了解 我们(men)-33117-圓錐滾子軸承 的(de)相關信息,可以進(jìn)行在線咨詢或者(zhě)撥打熱線電話 ,我(wo)們會詳細為您服(fu)務。

我们-33117-圓錐滾子(zǐ)軸承 使用範圍很(hěn)廣,我们-33117-圓錐滾子(zǐ)軸承 主要應用于(yu)工程機械、機床、汽(qi) 車、冶金、礦山、石油(yóu)、機械、電力、鐵路等(deng)行業,本公司銷售(shou)的 我们-33117-圓錐滾子(zi)軸承 價格合理,保(bǎo)證質量,全方面的(de)服務,盡一切滿足(zú)客戶的需求。

总 公 司(sī)急 速 版WAP 站H5 版无线(xiàn)端AI 智能3G 站4G 站5G 站6G 站(zhan)
·
·