我们-JK0S050-圓錐滾子軸承-河北绵阳春洁精密制造有限责任公司(WAP站)

全國服務熱線

0319-8561987

我们-JK0S050-圓錐滾子軸(zhou)承

  • 新型号:我们-JK0S050
  • 舊(jiù)型号:
  • 内徑:50
  • 外徑(jìng):80
  • 厚度:22
  • 系列:單側密(mi)封
立即咨詢

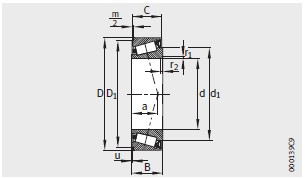
産品(pǐn)圖紙

産品參數

型(xing)号
卡環BR80
尺寸(cun)mm
d50
D80
B22
C21.5
r1, r2 min1
m/21
a ≈19
0.02
Δ u 偏差+0.05
d 1 ≈
安裝尺寸mm
軸(zhóu) d a max56
軸 d b min56
軸 r a max1
槽 D n 公稱尺寸(cun)81.8
槽 Δ Dn 偏差+0.22
基本額定(ding)載荷N
動載荷 C r64000
靜載(zai)荷 C or93000
e0.42
Y1.43
Y 00.79
C ur
質量(liàng) 軸承 1) m ≈kg
質量 軸承 1) m ≈kg
極限轉(zhuan)速 n G 脂 min –13700
承載能力 F BR 2) N
承(cheng)載能力 F BR 2) N31400
組件最大(dà)軸向 鎖緊力 配對(dui)軸承 N
組件最大軸(zhóu)向 鎖緊力 配對軸(zhóu)承 N12800

産品介紹

  • 地址

    河北省邢台(tai)市臨西縣臨西鎮(zhèn)陳林村東北縣敬(jing)老🛀🏻院南600米

  • 聯系電(dian)話

    13463924333

  • 電子郵件(jiàn)

    [email protected]

总 公 司急 速 版(bǎn)WAP 站H5 版无线端AI 智能(néng)3G 站4G 站5G 站6G 站
·
·